当前时间:
管道过滤器
乳化机|管线式乳化机 作者:管理员    发布于:2013-3-12 16:15:18    文字:【】【】【

■ 概述

  过滤器是除去液体中少量固体颗粒的小型设备,可保护压缩机、泵、仪表和其它设备的正常工作,当流体进入置有一定规格滤网的滤筒后,其杂质被阻挡,而清洁的滤液则由过滤器出口排出,当需要清洗时,只要将可拆卸的滤筒取出,处理后重新装入即可,因此,使用维护极为方便。
  本厂生产的过滤器具有结构紧凑、过滤能力大、压损小、适用范围广、维护方便、价格低廉等优点,其主要适用的物料有:
  化工、石油化工生产中弱腐蚀性物料,如:水、油品、氨、烃类等。
  化工生产中的腐蚀性物料,如:烧碱、纯碱、浓稀硫酸、醛酸等。
  制冷中的低温物料,如:液甲烷、液氨、液氧和各种冷剂。
  食品、制药生产中有卫生要求的物料,如:啤酒、饮料、乳制品、糖浆等。

 
   
HXY型过滤器
(1)HXY型焊接锥管螺纹式(HXYII-R型)、承插焊式(HXYII-SW型)(DN15~40,PN≤5.0MPa)
HXYII-R, HXYII-SW型
DN
L
N
 
 
Rc3/8
 
 
H
HXYII-R型
HXYII-SW型
D
D
T
15
130
169
Rc1/2
21.8/18.5
10
20
130
179
Rc3/4
27.4/25.5
13
25
140
182
Rc1
34.2/32.5
13
32
160
209
Rc11/4
42.9/38.5
13
40
170
217
Rc11/2
48.8/45.6
13
(2)、HXY型焊接法兰连接式(HXYII-F型)(DN15~400、PN≤5.0MPa)
HXYII-F型
DN
L
H
N
 
Rc1/4
 
15
260
180
20
270
190
25
270
190
32
280
230
Rc1/4
 
40
280
230
50
290
245
 
 
Rc3/8
 
 
65
320
280
80
350
315
100
425
360
125
480
390
150
540
460
Rc3/4
 
200
700
540
250
800
660
 
M20×1.5
 
 
300
950
750
350
1050
845
400
1250
920
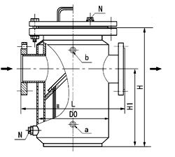
(3)、HXY型带夹套焊制法兰连接式(HXYJII-F型)(DN20~200,PN≤5.0MPa)
HXYJII-F型
DN
L
H
进出口a,b
蒸汽压力
N
20
370
235
 
G1/2
 
 
 
 
 
 
≤0.6MPa
 
 
 
 
 
 
Rc1/4
 
 
25
370
235
32
390
275
40
390
285
 
 
G3/4
 
 
 
50
420
295
 
 
Rc3/8
 
 
65
450
330
80
500
370
100
575
415
125
650
450
150
700
525
DN25
 
Rc3/4
 
200
890
610

HXYJII-F型
 
HXT型过滤器
(1)HXT型对焊连接直通式过滤器(HXTI-W型)(DN50~400,PN≤5.0MPa)
(2)HXT型法兰连接直通式过滤器(HXTI-F型)(DN50~400,PN≤5.0MPa)
HXTI-W、HXTI-F型
DN
L
HXTI-W型
DO
系列A
系列B
HXTI-F型
N
H
L
H
50
128
60.3
57
175
230
170
Rc3/8
 
 
 
 
65
152
76.1
76
195
260
170
80
172
88.9
89
210
290
180
100
210
114.3
108
230
350
200
125
248
139.7
133
310
390
230
150
286
168.3
159
335
435
250
Rc3/4
 
200
356
219.1
219
400
540
310
250
432
273
273
450
640
370
 
M20×1.5
 
 
300
508
323.9
325
535
745
425
350
558
355.6
377
580
800
460
400
610
406.4
426
640
900
520
注:用户在订货时清注明三通壁厚系列
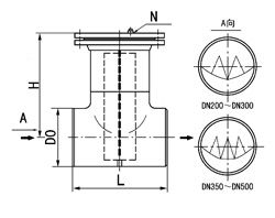
(3)HXT型对焊连接折叠直通式过滤器(HXTMI-W型)(DN200~500,PN≤5.0MPa)
HXTMI-W型
DN
 
D0
 
L
 
H
 
N
 
系列A
系列B
200
219.1
219
356
380
 
 
M20×1.5
 
 
 
250
273
273
432
520
300
323.9
325
508
580
350
355.6
377
558
700
400
406.4
426
610
760
500
508
529
762
920

HXTMI-W型
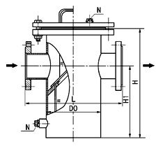
篮式过滤器
(1)篮式法兰连接直通平底过滤器(HXLI-F型)(PN≤5.0MPa, DN15~300)
HXLI-F型
DN
L
H
H1
D0
N
DN
L
H
H1
D0
N
15
180
260
160
F76
 
 
 
Rc3/4
 
 
 
80
340
400
250
F159
Rc3/4
M20×1.5
20
180
260
160
F76
100
400
470
300
F219
25
180
260
160
F76
125
480
550
360
F273
32
200
270
160
F76
150
500
630
420
F273
40
260
300
170
F108
200
560
780
530
F325
50
260
300
170
F108
250
660
930
640
F426
65
330
360
210
F133
300
750
1200
840
F478

HXLI-F型
(2)篮式带夹套法兰连接直通平底过滤器(HXLJI-F型)(PN≤5.0MPa, DN15~200)
HXLJI-F型
DN
 
L
 
H
 
H1
 
蒸汽压力
 
夹套
 
 
N
 
D0
进口a
进口b
15
215
350
180
 
 
 
 
 
≤0.6MPa
 
 
 
 
 
 

Ф108

 
 
 
G3/4
 
 
 
 
 
 
G3/4
 
 
 
 
 
 
 
 
Rc3/4
 
 
 
 
 
 
20
215
350
180
Ф108
25
215
350
180
Ф108
32
235
360
180
Ф108
40
300
430
210
Ф159
50
300
430
210
Ф159
65
450
490
250
Ф159
80
460
530
290
Ф273
DN20
 
DN20
 
100
500
600
345
Ф325
125
580
700
410
Ф377
 
DN25
 
 
DN25
 
150
600
780
470
Ф377
200
660
930
580
Ф426

HXLJI-F型

版权所有 Copyright(C)2012-2015 启东市华兴混合设备有限公司