高剪切混合乳化机
射流式分散均质机
可移动式轻型搅拌机
HXF型搅拌釜
多功能混合机
HXL型螺条式混合机
静态混合器
SQS汽水混合器
SPS喷射混合器
分配器
管道型过滤器
袋式精细过滤器
SG视镜
GZB型阻火器
WX型呼吸阀
星形出料阀
全自动反冲洗过滤器
 
 
 
星形出料阀
■ 应用领域
  适用于电力、化工、冶金、建筑、粮食等行业粉粒体的连续均匀配料、输送、卸料。
  例:煤粉、水泥、尘灰、谷物、化工原料等的输送。
■ 性能特点
  在电机的驱动下,经减速机带动主轴上的叶轮旋转,把物料从上部仓通过叶轮槽内旋转的叶轮带动至出料口均匀地喂送出去。
  进出料口有圆形法兰和方形法兰两种形式。
  整机采用直联或链传整体式,精致轻巧,驱动装置无需另设安装基础,减少占用空间,节省费用 。
  根据被输送物料性质的特性可配防爆电机、调速电机等。
■ 技术特性
型 号
HHXF100
链轮式直连式
HHXF150
链轮式直连式
HHXF200
链轮式直连式
HHXF250
链轮式直连式
生产能力m3/h
0.5 1.0
0.8 1.6
2.6 5.2
6.6 13.3
叶轮转速r/min
16.3 32.3
16.3 32.3
16.4 32.5
16.4 32.5
叶轮直径mm
Ф100
Ф150
Ф200
Ф250
减速机
功 率
0.55~0.75KW
1.1KW
型 号
BWY或BLY
型 号
HHXF300
链轮式直连式
HHXF350
链轮式直连式
HHXF400
链轮式直连式
HHXF500
链轮式直连式
生产能力m3/h
10.5 21
18.6 32.3
23.6 47.3
39.4 78.8
叶轮转速r/min
16.3 32.3
16.3 32.3
16.4 32.5
16.4 32.5
叶轮直径mm
Ф300
Ф350
Ф400
Ф500
减速机
功 率
1.1~2.2KW
2.2~4KW
型 号
BWY或BLY
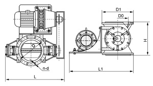
■ 安装尺寸
型 号
L
H
D
D0
D1
n×d
HHXF100
1019
250
210
110
220
8×18
HHXF150
1049
290
240
160
285
8×22
HHXF200
1151
350
295
220
340
8×22
HHXF250
1201
420
350
270
395
12×22
HHXF300
1270
500
400
320
445
12×22
HHXF350
1330
550
460
375
505
16×22
HHXF400
1442
630
515
425
565
16×26
HHXF500
1542
750
620
530
670
20×26
 
型 号
L
L1
H
D
D0
D1
n×d
HHXW100
500
460
250
210
110
220
8×18
HHXW150
550
505
290
240
160
285
8×22
HHXW200
665
705
350
295
220
340
8×22
HHXW250
745
810
420
350
270
395
12×22
HHXW300
800
850
500
400
320
445
12×22
HHXW350
880
885
550
460
375
505
16×22
HHXW400
920
925
630
515
425
565
16×26
HHXW500
1020
1025
750
620
530
670
20×26
 
Copyright(C)2008-2010 启东市华兴乳化混合设备厂 All Rights Reserved.
地址: 江苏省启东市汇龙镇合兴村115号(车管所西侧) 乳化机 管线式乳化机
  电话: 0513-83103330 传真: 0513-83357632 手机: 18602177088
邮箱: hx@hxhhsb.com 网址: www.hxhhsb.com