高剪切混合乳化机
射流式分散均质机
可移动式轻型搅拌机
HXF型搅拌釜
多功能混合机
HXL型螺条式混合机
静态混合器
SQS汽水混合器
SPS喷射混合器
分配器
管道型过滤器
袋式精细过滤器
SG视镜
GZB型阻火器
WX型呼吸阀
星形出料阀
全自动反冲洗过滤器
 
 
 
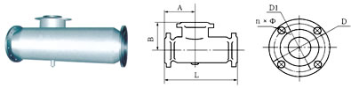
SQS系列汽水混合器
一、产品特性
  SQS系列汽水混合器是新型节能环保产品,它是利用蒸汽与水直接混合将水加热,具有低噪声、无振动、热交换效率高、节省能源等特点,被广泛地使用在生活、生产用热水及热水采暖和热力除氧等系统中,该加热器主要由喷管、壳体、网板、垫圈等部分组成。被加热水通过呈拉尔管状的喷管时,蒸汽从喷管外侧通过管壁上许多斜向小孔喷入水中,二者在高速流动中瞬时良好混合,以达到加热的目的。
   对于不同型号规格的加热器,在额定流量下,加热不同温度的热水所需蒸汽量可由下式计算:
   Do=D1C1(T2-T1)/(io″-D2t2)=D1(qT2-qT1)/(i″-Ct2)
式中:
   D1—额定流量(t/h) C1—水在t1温度下比热(KJ/Kg.℃)
   D0—所需蒸汽量(t/h) C2—水在t2温度下比热(KJ/Kg.℃)
   T2—加热后的水温(℃)    T1—进入加热器水温(℃)
   io″—进入加热器在压力P0下的饱和蒸汽热焓(KJ/Kg)
二、产品型号
Copyright(C)2008-2010 启东市华兴乳化混合设备厂 All Rights Reserved.
地址: 江苏省启东市汇龙镇合兴村115号(车管所西侧) 乳化机 管线式乳化机
  电话: 0513-83103330 传真: 0513-83357632 手机: 18602177088
邮箱: hx@hxhhsb.com 网址: www.hxhhsb.com